Tato příručka se zabývá nabídkou a specifikacemi disků pro vozidla Dacia Logan, včetně různých typů kol, rozměrů a kompatibility s dalšími modely značek Renault a Dacia.
Typy disků a jejich vlastnosti
Na trhu s automobilovými díly je k dispozici široká škála disků pro Dacia Logan, které se liší materiálem, designem a technickými parametry. Mezi nejčastěji nabízené patří:
Hliníková kola (Alu disky)
Hliníková kola jsou oblíbená pro svůj atraktivní vzhled a nižší hmotnost oproti ocelovým diskům, což může pozitivně ovlivnit jízdní vlastnosti a spotřebu paliva. V nabídce se objevují například originální alu disky Dacia v rozměru 4x100 R16, často v antracitovém odstínu po profesionálním celolaku. Mezi další zajímavé nabídky patří například Alu sada originál disky Diewe 4x100 7Jx16 ET45 s TPMS, nebo sportovně laděné OZ racing Superturismo 4x100 r16x7j ET 42.
Ocelová kola (Plechové disky)
Ocelové disky jsou zpravidla levnější a odolnější vůči poškození, což z nich činí praktickou volbu, zejména pro zimní období. V nabídce se vyskytují nové originální plechové disky Renault/Dacia o rozměru 4x100 R15, nebo kompletní sady plechových kol s pneumatikami, například s roztečí 4x100 5,5 J, ET 39.

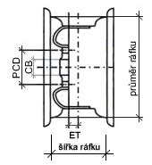
Technické parametry disků
Při výběru disků je klíčové zaměřit se na jejich technické specifikace, které zajišťují správnou montáž a bezpečnost provozu.
Rozteč šroubů (PCD)
Standardní rozteč pro většinu nabízených disků pro Dacia Logan je 4x100 mm. Tato hodnota značí počet montážních otvorů (4) a průměr kružnice, na které jsou tyto otvory rozmístěny (100 mm). Tato rozteč je sdílena s mnoha dalšími modely značek Renault a Dacia, což rozšiřuje možnosti výběru.
Průměr a šířka disku
Nejčastěji se v inzerátech objevují disky v průměru R15 a R16. Tyto rozměry jsou obvykle kombinovány s různou šířkou disku, například 6J, 7Jx16 nebo 5,5 J. Šířka disku je udávána v palcích (J).
Zális (ET)
Zális, neboli ET hodnota, určuje vzdálenost montážní plochy disku od jeho středu. Pro Dacia Logan se běžně setkáme s hodnotami jako ET45, ET40, ET37 nebo ET39. Správná hodnota ET je důležitá pro zamezení kontaktu disku s brzdovými komponenty nebo karoserií.

Kompatibilita s dalšími modely
Disky s roztečí 4x100 mm a odpovídajícími parametry jsou vhodné nejen pro Dacia Logan, ale také pro řadu dalších vozidel, což potvrzují i mnohé inzeráty.
- Dacia: Sandero, Lodgy, Dokker, Duster, Doker, Sandero
- Renault: Clio, Laguna, Sandero, Modus, Mégane, Captur, Kadjar, Latitude, Espace IV, Koleos, Scénic, Trafic, Master
- Opel: Agila, Vivaro, Movano
- Nissan: Micra, Pixo, Almera, Sunny, Primastar, NV300
- Toyota: Yaris, Alto
- Suzuki: Alto
- Mazda: 2
- Punto
Při nákupu disků je vždy doporučeno ověřit jejich přesnou kompatibilitu s konkrétním modelem a rokem výroby vozidla.
Nabídka ojetých vozidel s disky
Kromě samostatných disků je na trhu k dispozici také řada ojetých vozidel Dacia Logan, která jsou prodávána s již namontovanými koly.
- Dacia Logan 1.6 LPG, 7 míst: Vozidlo z roku 2008 s najetými 267 XXX km, novou STK do 2/2028 a platností LPG nádrže do 6/2028. K vozidlu jsou k dispozici dvě sady kol (zimní a letní s disky).
- Dacia Logan 1.6MPI / 1.5dci: Nabídka vozidel různých motorizací.
- Dacia Logan MCV 0.9TCe: Vůz po rozvodech se servisní knížkou.
- Dacia Logan 1.2i, 1.MAJ: Spolehlivé vozidlo s letními koly, nabízené s možností výkupu a financování.
- Dacia Logan MCV 1.0i: Model z roku 2019 s nájezdem 134 000 km, s možností odpočtu DPH.
Dacia Renault Logan Sandero Duster Dokker Lodgy Reset Tyre / Tire pressure Light - TPMS Reset
Další příslušenství a sady kol
V nabídce se objevují také kompletní sady kol, které zahrnují disky i pneumatiky. Tyto sady mohou být výhodnou volbou pro zákazníky hledající kompletní řešení.
- Letní kola: Například sada letních kol na Dacia Logan, Sandero nebo Renault s pneumatikami Michelin Energy 185/65 R15 88T na černých plechových discích (6x15H2, rozteč 4x100, ET50).
- Zimní kola: Kompletní zimní kola z vozidla Dacia Logan 2 tv 2000, rozměr 185/65 R15, s pneumatikami Barum Polaris.
- Kola s různými typy pneumatik: Inzeráty často uvádějí stav a stáří pneumatik, například letní pneumatiky Hankook Kinergy Eco 2 s různým vzorkem, nebo pneumatiky Fortune FSR 6.
