Horké zadní kolo u automobilu je častým problémem, který může signalizovat různé technické závady, od drobností až po vážnější poruchy brzdového systému nebo ložisek. Tento jev může vést k poškození pneumatiky, brzdových komponentů a v krajním případě i k nehodě.
Možné příčiny horkého zadního kola
Existuje několik hlavních příčin, proč se může zadní kolo automobilu přehřívat:
1. Problémy s ruční brzdou
Jednou z nejčastějších příčin je zatuhlé nebo nesprávně fungující lanko ruční brzdy. Pokud se lanko nepřiměřeně dotáhne nebo zatuhne v bovdenu, může způsobit neustálé přibrzďování kola, i když je ruční brzda uvolněná. To vede k nadměrnému tření a zahřívání.
- Zatuhlý lanovod: Mechanismus ruční brzdy může zatuhnout v důsledku koroze nebo nedostatku maziva, což brání jeho úplnému uvolnění.
- Nesprávně seřízené lanovody: Přílišné dotažení lanovodů ruční brzdy během servisu může způsobit, že kolo neustále lehce přibržďuje.
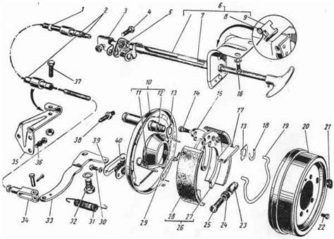
- Vadné pakny ruční brzdy: Pokud jsou pakny ruční brzdy opotřebované nebo nesprávně usazené, mohou zůstat v kontaktu s brzdovým bubnem (pokud jde o bubnové brzdy) a způsobovat tření.

2. Problémy s brzdovým třmenem
U vozidel s kotoučovými brzdami může být příčinou horkého kola zatuhlý brzdový pístek ve třmenu nebo vodící čepy třmenu. Pokud se pístek nebo čepy nedostatečně vracejí po uvolnění brzdového pedálu, brzdové destičky zůstávají v kontaktu s kotoučem.
- Zatuhlý pístek: Koroze nebo nečistoty mohou způsobit, že pístek ve třmenu ztuhne a nevrací se správně.
- Zatuhlé vodící čepy třmenu: Vodící čepy umožňují třmenu pohybovat se při brzdění. Pokud jsou zanesené nebo zkorodované, třmen se nemusí správně uvolnit.
- Poškozené těsnící gumičky: Vniknutí nečistot a vlhkosti přes poškozené těsnění může vést k zatuhnutí pístku nebo čepů.
3. Problémy s brzdovou kapalinou
Stará nebo znečištěná brzdová kapalina může ztrácet své vlastnosti a ovlivňovat funkci brzdového systému. V některých případech může být doporučena výměna brzdové kapaliny.
4. Poškození brzdových komponentů
Poškozené nebo opotřebované brzdové destičky, kotouče nebo dokonce prasklý brzdový kotouč mohou vést k nadměrnému tření a zahřívání.
- Opotřebené destičky a kotouče: I když to není primární příčina přehřívání, extrémně opotřebené komponenty mohou přispívat k problémům.
- Prasklý brzdový kotouč: Méně časté, ale může způsobit problémy s brzděním a nadměrným zahříváním.
5. Problémy s ložiskem kola
Poškozené nebo špatně namontované ložisko kola může způsobovat tření a zahřívání. Typicky se při poškození ložiska ozývá i skřípavý zvuk a může se objevit vůle v kole.
- Destrukce ložiska: Postupné opotřebení nebo poškození ložiska může vést k jeho přehřívání.
- Nesprávné dotažení ložiska: Přílišné dotažení ložiska při montáži může způsobit jeho rychlé opotřebení a zahřívání.

6. Další možné příčiny
- Zanesené odvzdušňováky: Na některých typech brzdových třmenů může zanesený odvzdušňovák bránit správnému odvzdušnění systému.
- Poškozená brzdová hadice: Zúžená nebo zanesená brzdová hadice může bránit volnému průtoku kapaliny a způsobit přibrzďování.
Diagnostika a řešení problému
Diagnostika problému s horkým zadním kolem obvykle zahrnuje systematické ověřování jednotlivých komponentů brzdového systému a ložisek.
Postup při diagnostice:
- Zvednutí vozidla: Po jízdě, kdy je kolo horké, je nutné vozidlo bezpečně zvednout na heveru.
- Kontrola otáčení kola: S vypnutým motorem a uvolněnou ruční i nožní brzdou je třeba zkusit kolo volně protočit.
- Pokud se kolo točí ztuha, neotáčí se volně nebo vydává zvuky (dření, skřípání), je pravděpodobně problém v brzdách nebo ložisku.
- Pokud se kolo točí volně, problém může být složitější nebo se projevovat jen za určitých podmínek.
- Kontrola ruční brzdy: Zatáhněte a uvolněte ruční brzdu několikrát. Sledujte, zda se brzda zcela uvolní. V případě potřeby lze ruční brzdu zcela odblokovat pomocí nouzového odblokování (často v prostoru pod středovou konzolí).
- Kontrola brzdového třmenu: Po zvednutí kola a uvolnění brzdy by měl být brzdový třmen volný a měl by jít lehce viklat. Pístek by se měl po uvolnění brzdového pedálu plně zasunout.
- Kontrola brzdové kapaliny: Zkontrolujte stav a stáří brzdové kapaliny. V případě potřeby ji vyměňte.
- Kontrola ložiska: Při otáčení kolem zkontrolujte, zda není slyšet žádné nepatřičné hučení nebo skřípání. Sáhněte na náboj kola - pokud je horký více než kotouč, může být problém v ložisku.
- Vizuální kontrola: Zkontrolujte stav brzdových destiček, kotoučů a případné úniky brzdové kapaliny.
Letná. Výhra Milionu chvilek, nebo vágní demonstrace pro dobrý pocit? | Studio Alarm
Možná řešení:
- Oprava nebo výměna lanovodů ruční brzdy.
- Rozebrání, vyčištění a promazání brzdového třmenu (pístek, vodící čepy).
- Výměna brzdových destiček, kotoučů nebo celého brzdového třmenu.
- Výměna brzdové kapaliny.
- Výměna poškozeného ložiska kola.
- Kontrola a případná výměna brzdových hadic.
Je důležité si uvědomit, že brzdy jsou klíčovým bezpečnostním prvkem vozidla. Při jakýchkoli pochybnostech nebo problémech je doporučeno navštívit odborný servis.